东莞市新亿科电子科技有限公司
全国咨询热线:139 2295 2859

TCN-61A计数器的接线方法

发布时间:2018-05-05 13:56:33 人气:

近本公司业务员经常反映接到客户询问TCN-61A计数器的接线问题,现在详解一下TCN-61A计数器如何接线

1.请先将TCN-61A计数器从包装盒里面拿出,反转过来就是接线端子(下图)

TCN-61A计数器

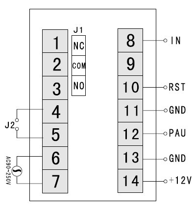
2.下图为TCN-61A的接线图

3.详细说明:
接线端子1 2 3角接常开和常闭
接线端子6 7  角接220V电源
接线端子8 11 14角接 接近开关
接线端子10 11角接复位
接线端子11 12角接暂停

4.以下图片为计数器与二线接近开关的接线图:

5.以下图片为计数器与三线接近开关的接线图:

6.注意:本公司TCN-61A计数器默认为NPN输入,所以不要接PNP的接近开关.